Active
, Reaffirmed
Standard
Most Recent
SAE AS 1098B:2014-10-16
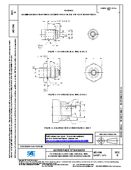
FITTING END, FLARED TUBE, FOR SEAL RING, STANDARD DIMENSIONS FOR, DESIGN STANDARD
Summary
AS1098B HAS BEEN REAFFIRMED TO COMPLY WITH THE SAE FIVE-YEAR REVIEW POLICY.
Notes
Approuvée 2014-10-16.
Technical characteristics
| Publisher | SAE International |
| Publication Date | 10/16/2014 |
| Confirmation Date | 10/16/2014 |
| Page Count | 3 |
| Themes | Aerospace |
| EAN | --- |
| ISBN | --- |
| Weight (in grams) | --- |
No products.
Previous versions
16/10/2014
Active
, Reaffirmed
Most Recent