Superseded
Standard
Historical
SAE AS 155G:2017-04-12
HOSE ASSEMBLY, PTFE, CRES REINFORCED, 3000 PSI , 400 °F, STRAIGHT TO 90°, FLARED, LIGHTWEIGHT
Summary
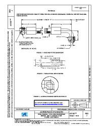
ESTABLISH CUFF DIMENSIONAL REQUIREMENTS FOR INTEGRAL FIRE SLEEVE CONFIGURATIONS.
Technical characteristics
| Publisher | SAE International |
| Publication Date | 04/12/2017 |
| Cancellation Date | 04/12/2017 |
| Page Count | 6 |
| Themes | Aerospace |
| EAN | --- |
| ISBN | --- |
| Weight (in grams) | --- |
No products.
Previous versions
23/11/2021
Active
Most Recent
18/03/2018
Superseded
Historical
12/04/2017
Superseded
Historical