Superseded
, Reaffirmed
Standard
Historical
SAE AS 31461A:2016-10-13
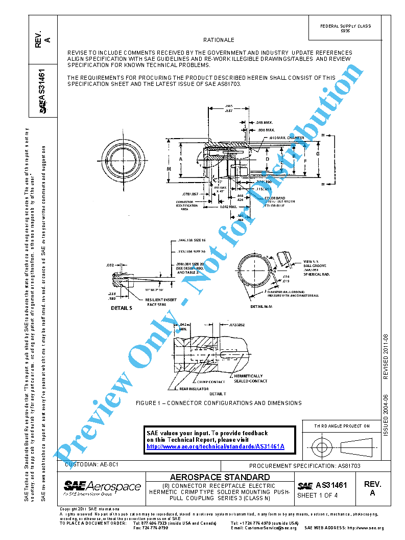
CONNECTOR, RECEPTACLE, ELECTRIC, HERMETIC, CRIMP TYPE, SOLDER MOUNTING, PUSH-PULL, COUPLING, SERIES 3 (CLASS N)
Summary
AS31461A HAS BEEN REAFFIRMED TO COMPLY WITH THE SAE FIVE-YEAR REVIEW POLICY.
Technical characteristics
| Publisher | SAE International |
| Publication Date | 10/13/2016 |
| Confirmation Date | 10/13/2016 |
| Page Count | 4 |
| Themes | Aerospace |
| EAN | --- |
| ISBN | --- |
| Weight (in grams) | --- |
No products.
Previous versions
13/10/2016
Superseded
, Reaffirmed
Historical