Superseded , Reaffirmed Standard
Historical

SAE AS 4108/1:2015-04-17

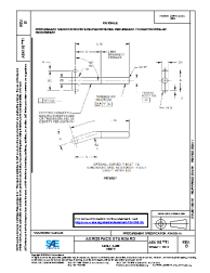
T-BOLT, A-286, 1000°F

Summary

AS4108/1 HAS BEEN REAFFIRMED TO COMPLY WITH THE SAE FIVE-YEAR REVIEW POLICY.

Notes

Approuvée 2015-04-17.

Technical characteristics

Publisher SAE International
Publication Date 04/17/2015
Confirmation Date 04/17/2015
Page Count 3
Themes Aerospace
EAN ---
ISBN ---
Weight (in grams) ---
No products.

Previous versions

17/04/2015
Superseded , Reaffirmed
Historical