Superseded
Standard
Historical
SAE AS 4209C:2019-12-26
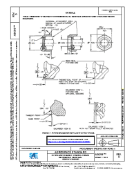
FITTING END ASSEMBLY, INTERNAL THREAD, RETAINED NUT, BEAM SEAL, DESIGN STANDARD
Summary
Included in:
Technical characteristics
| Publisher | SAE International |
| Publication Date | 12/26/2019 |
| Page Count | 2 |
| EAN | --- |
| ISBN | --- |
| Weight (in grams) | --- |
Replaces
17/04/2015
Superseded
, Reaffirmed
Historical
Previous versions
05/08/2022
Active
Most Recent
18/09/2020
Superseded
Historical
26/12/2019
Superseded
Historical