Superseded , Reaffirmed Standard
Historical

SAE AS 4370D:2015-04-20

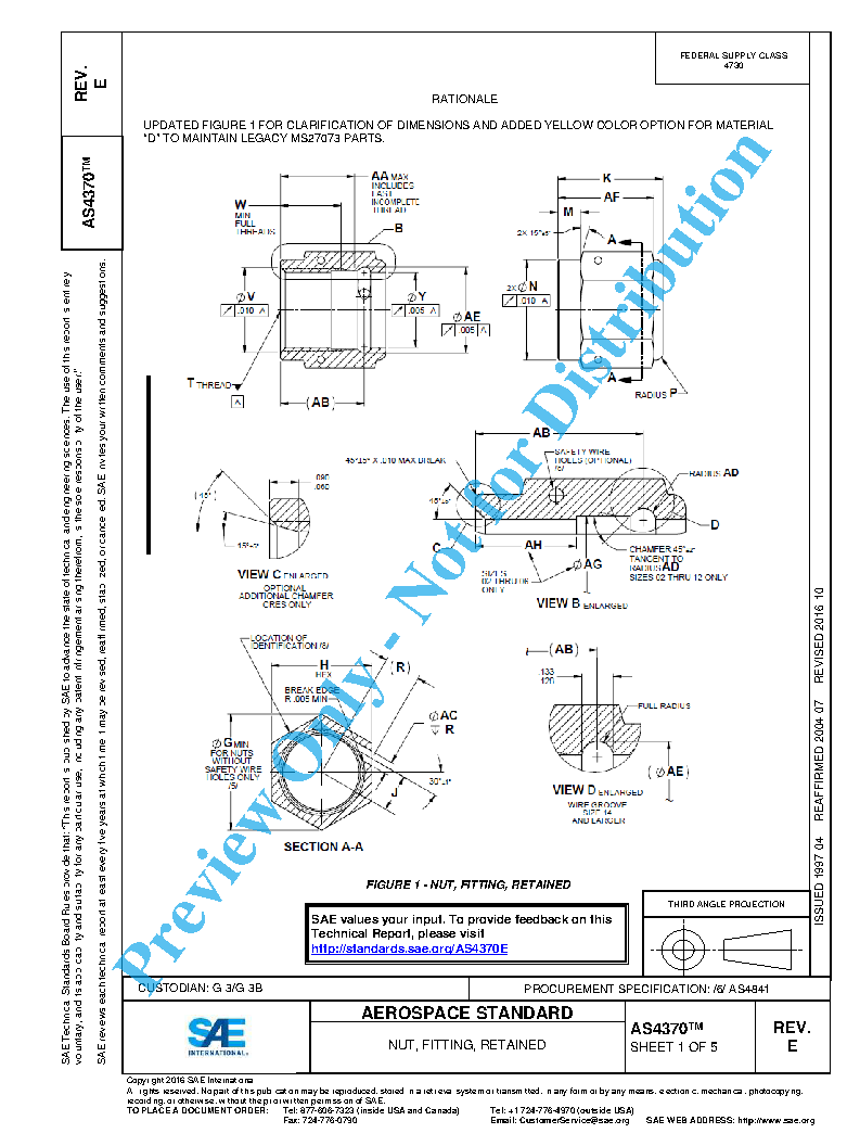
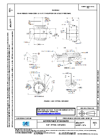
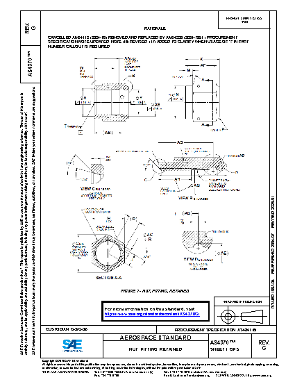
NUT, FITTING, RETAINED

Summary

AS4370D HAS BEEN REAFFIRMED TO COMPLY WITH THE SAE FIVE-YEAR REVIEW POLICY.

Technical characteristics

Publisher SAE International
Publication Date 04/20/2015
Confirmation Date 04/20/2015
Cancellation Date 04/20/2015
Page Count 5
Themes Aerospace
EAN ---
ISBN ---
Weight (in grams) ---
No products.

Previous versions

13/10/2016
Superseded , Reaffirmed
Historical
20/04/2015
Superseded , Reaffirmed
Historical