Active
, Reaffirmed
Standard
Most Recent
SAE AS 4458B:2015-04-20
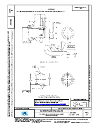
FITTING END, FLARELESS, BLUNT NOSE, DESIGN STANDARD
Summary
AS4458B HAS BEEN REAFFIRMED TO COMPLY WITH THE SAE FIVE-YEAR REVIEW POLICY.
Notes
Approuvée 2015-04-20.
Technical characteristics
| Publisher | SAE International |
| Publication Date | 04/20/2015 |
| Confirmation Date | 04/20/2015 |
| Page Count | 3 |
| Themes | Aerospace |
| EAN | --- |
| ISBN | --- |
| Weight (in grams) | --- |
No products.
Previous versions
20/04/2015
Active
, Reaffirmed
Most Recent