Superseded Standard
Historical

SAE AS 4662B:2011-11-04

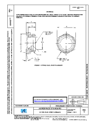
FITTING, PLUG, SHORT FLARELESS

Summary

CANCELED MILITARY STANDARD NUMBERS HAVE BEEN REPLACED. PRI-QPL NOTE HAS BEEN UPDATED AND CADMIUM WARNING NOTE ADDED. OTHER UPDATES.

Technical characteristics

Publisher SAE International
Publication Date 11/04/2011
Page Count 3
Themes Aerospace
EAN ---
ISBN ---
Weight (in grams) ---
No products.