Active
Standard
Most Recent
SAE AS 648C:2011-06-20
HOSE ASSEMBLY, POLYTETRAFLUOROETHYLENE, METAL BRAID, MEDIUM PRESSURE, FLARELESS, STRAIGHT TO 45°
Summary
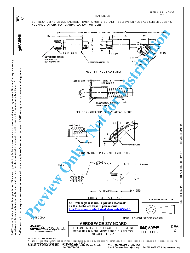
ESTABLISH CUFF DIMENSIONAL REQUIREMENTS FOR INTEGRAL FIRE SLEEVE ON HOSE AND SLEEVE CODE H & J CONFIGURATIONS, FOR STANDARIZATION PURPOSES.
Technical characteristics
| Publisher | SAE International |
| Publication Date | 06/20/2011 |
| Page Count | 7 |
| Themes | Aerospace |
| EAN | --- |
| ISBN | --- |
| Weight (in grams) | --- |
No products.
Previous versions
20/06/2011
Active
Most Recent