Superseded
Standard
Historical
SAE AS 7928/11D:2019-08-21
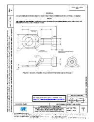
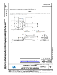
TERMINAL, LUG, CRIMP STYLE, COPPER, UNINSULATED, RING TONGUE, TIN WHISKER RESISTANT, TYPE I, CLASS I, FOR 150 °C TOTAL CONDUCTOR TEMPERATURE
Summary
Technical characteristics
| Publisher | SAE International |
| Publication Date | 08/21/2019 |
| Page Count | 7 |
| EAN | --- |
| ISBN | --- |
| Weight (in grams) | --- |
No products.