Active , Reaffirmed Standard
Most Recent

SAE MA 2040B:2015-04-24

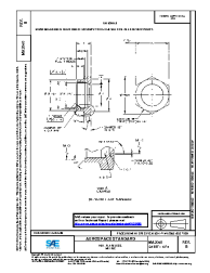
NUT, FLARELESS, METRIC

Summary

MA2040B HAS BEEN REAFFIRMED TO COMPLY WITH THE SAE FIVE-YEAR REVIEW POLICY.

Notes

Approuvée 2015-04-24.

Technical characteristics

Publisher SAE International
Publication Date 04/24/2015
Confirmation Date 04/24/2015
Page Count 3
Themes Aerospace
EAN ---
ISBN ---
Weight (in grams) ---
No products.

Previous versions

24/04/2015
Active , Reaffirmed
Most Recent