Active
, Reaffirmed
Standard
Most Recent
SAE MA 4624:2015-04-28
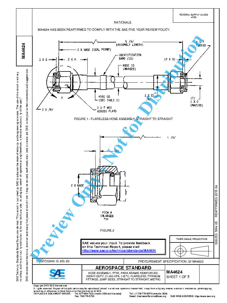
HOSE ASSEMBLY, PTFE, PARA ARAMID REINFORCED, HEAVY-DUTY, 21 000 KPA, 135 °C, FLARELESS, ITANIUM FITTINGS, JUMP SIZES, STRAIGHT TO STRAIGHT, METRIC
Summary
MA4624 HAS BEEN REAFFIRMED TO COMPLY WITH THE SAE FIVE-YEAR REVIEW POLICY.
Notes
Approuvée 2015-04-28.
Technical characteristics
| Publisher | SAE International |
| Publication Date | 04/28/2015 |
| Confirmation Date | 04/28/2015 |
| Page Count | 5 |
| Themes | Aerospace |
| EAN | --- |
| ISBN | --- |
| Weight (in grams) | --- |
No products.
Previous versions
28/04/2015
Active
, Reaffirmed
Most Recent