Superseded
, Reaffirmed
Standard
Historical
SAE AS 39029/10C:2020-12-22
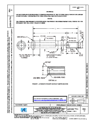
CONTACTS, ELECTRICAL CONNECTOR, SOCKET, CRIMP REMOVABLE, THERMOCOUPLE (FOR MIL-DTL-26482 SERIES 2, AS81703 SERIES 3, MIL-DTL-83723 SERIES I AND III, AND MIL-DTL-83733 CONNECTORS)
Summary
REVISION IS REQUIRED TO IMPROVE DRAWING QUALITY, TO ADD METRIC EQUIVALENTS FOR ALL DIMENSIONS, TO TRANSFER THE BASE DOCUMENT DETAIL SHEET EXCEPTIONS TO THIS SHEET, AND TO UPDATE DOCUMENT TO LATEST SAE FORMAT GUIDELINES.
Technical characteristics
| Publisher | SAE International |
| Publication Date | 05/17/2016 |
| Confirmation Date | 12/22/2020 |
| Page Count | 4 |
| Themes | Aerospace |
| EAN | --- |
| ISBN | --- |
| Weight (in grams) | --- |
No products.