Active
Standard
Most Recent
SAE AS 39029/10D:2024-01-16
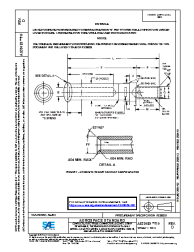
CONTACTS, ELECTRICAL CONNECTOR, SOCKET, CRIMP REMOVABLE, THERMOCOUPLE (FOR MIL-DTL-26482 SERIES 2, AS81703 SERIES 3, MIL-DTL-83723 SERIES I AND III, AND MIL-DTL-83733 CONNECTORS)
No description.
Notes
Technical characteristics
| Publisher | SAE International |
| Publication Date | 01/16/2024 |
| Page Count | 4 |
| EAN | --- |
| ISBN | --- |
| Weight (in grams) | --- |