Superseded
Standard
Historical
SAE AS 9212C:2017-11-07
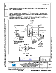
BOLT, MACHINE - STEEL, DIFFUSED NICKEL-CADMIUM PLATED, DOUBLE HEXAGON EXTENDED WASHER-HEAD, UNS K14675, 195 KSI MIN, .4375-20 UNJF-3A
Summary
FIGURE REDRAWN TO LATEST PRACTICES, NOTE 3 HARDNESS DELETED, NOTE 4 SPEC CORRECTED, AND
NOTE 11 USAGE OF PARTS ADDED.
NOTE 11 USAGE OF PARTS ADDED.
Technical characteristics
| Publisher | SAE International |
| Publication Date | 11/07/2017 |
| Page Count | 3 |
| Themes | Aerospace |
| EAN | --- |
| ISBN | --- |
| Weight (in grams) | --- |
No products.