Active
Standard
Most Recent
SAE AS 9212D:2023-05-10
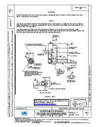
BOLT, MACHINE - STEEL, DIFFUSED NICKEL-CADMIUM PLATED, DOUBLE HEXAGON EXTENDED WASHER-HEAD, UNS K14675, 195 KSI MIN, .4375-20 UNJF-3A
No description.
Technical characteristics
| Publisher | SAE International |
| Publication Date | 05/10/2023 |
| Page Count | 3 |
| EAN | --- |
| ISBN | --- |
| Weight (in grams) | --- |